Hate ads?! Subscribe for just $5 a month!

Picatinny – How It Really Works!

Listen to Article

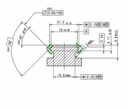
Ever wondered why your optic mount sometimes feels like it’s playing a game of optical roulette on a Picatinny rail? A recent Instagram post from Spuhr – those Swedish precision wizards behind some of the most rock-solid mounts in the game – just dropped a bombshell revelation about the MIL-STD-1913 Picatinny rail’s original design intent. Turns out, the rail wasn’t meant to rely on that perfectly flat top surface for alignment at all. The green-highlighted 45-degree angled flanks were the real MVPs, designed exclusively for clamping and reference, with the top flat deliberately given massive tolerances to account for manufacturing variances. It’s like the engineers said, We’ll give you a runway, but don’t taxi on the paint stripes.

This isn’t just trivia; it’s a masterclass in why good enough engineering from the 1990s still dominates AR platforms and beyond. Picatinny was born from military necessity – think attaching night vision or lasers without zeroing drama in the field – prioritizing those recoil-lugging angled surfaces over cosmetic flatness. Fast-forward to today, and most budget mounts chase the top flat like it’s gospel, leading to canted reticles and endless tweaks. Spuhr’s exposing how premium setups exploit the true spec: their mounts grip those 45-degree shoulders with surgical precision, shrugging off flat-surface imperfections. For the 2A community, this is gold – it validates why investing in spec-compliant hardware (like Spuhr, LaRue, or Seekins) crushes Harbor Freight knockoffs, ensuring your red dot stays married to your bore no matter the rail’s mood swings.

Implications? Ditch the flat-surface fetish. Next time you’re building that duty rig or home-defense SHTF blaster, scrutinize your mount’s clamping philosophy. This revelation empowers builders to demand better from manufacturers, potentially sparking a wave of true Picatinny innovations. It’s a reminder that 2A freedom thrives on understanding the specs that keep us zeroed and ready – because in a world of sloppy tolerances, precision is power. Check Spuhr’s IG for the diagram; your next build will thank you.

Share this story